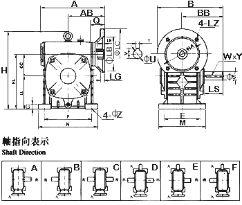
產品介紹
產品名稱:單級標準FCDS型蝸輪減速機
產品類別:蝸輪蝸桿減速機系列
產品型號:FCDS
Size
Inpower
KW
Ratio
A
AB
B
BB
CC
E
F
G
H
HL
LL
M
N
Z
50
0.18
1/5
1/10
1/15
1/20
1/25
1/30
1/40
1/50
1/60
155
84
165
95
50
95
110
15
180
130
80
120
140
11
60
0.37
170
92
190
110
60
105
120
20
205
150
90
130
150
11
70
0.37
206
110
210
130
70
115
150
20
235
175
105
150
190
15
0.75
230
80
0.75
232
128
240
140
80
135
180
20
265
200
120
170
220
5
1.5
100
1.5
266
145
263
163
100
155
220
25
363
250
150
190
260
15
2.2
270
149
288
120
2.2
340
182
310
185
120
180
260
30
424
300
180
230
320
18
3.0
135
3.0
375
200
335
210
135
200
290
30
481
350
215
250
350
18
4.0
155
5.5
442
236
402
252
155
220
320
32
536
390
235
280
390
20
175
7.5
465
240
412
262
175
250
350
40
550
435
260
310
430
20
Size
Flange
Output Hole
Output HShaft
Weight
Kg
LA
LB
LC
LE
LG
LZ
Q
U
T×V
LS
S
W×Y
50
115
95
140
5
10
M8
25
11
4×12.8
40
17
5×3
7
60
130
110
160
5
12
M8
35
14
5×16.3
50
22
7×4
11
70
130
110
160
5
12
M8
35
14
5×16.3
60
28
7×4
14
165
130
200
15
M10
45
19
6×21.8
80
165
130
200
5
15
M10
45
19
6×21.8
65
32
10×4.5
23
55
24
8×27.3
100
165
130
200
5
12
M10
52
24
8×27.3
75
38
10×4.5
38
215
180
250
15
M12
62
28
8×31.3
120
215
180
250
5
18
M12
65
28
8×31.3
85
45
12×4.5
65
135
215
180
250
5
18
M12
65
28
8×31.3
95
55
15×5
84
155
265
230
300
5
20
M12
85
38
10×41.3
110
60
15×5
120
產品名稱:單級標準FCDS型蝸輪減速機
產品類別:蝸輪蝸桿減速機系列
產品型號:FCDS

產品類別:蝸輪蝸桿減速機系列
產品型號:FCDS

|
Size |
Inpower KW |
Ratio |
A |
AB |
B |
BB |
CC |
E |
F |
G |
H |
HL |
LL |
M |
N |
Z |
|
50 |
0.18 |
1/5
1/10 1/15
1/20 1/25 1/30 1/40 1/50 1/60 |
155 |
84 |
165 |
95 |
50 |
95 |
110 |
15 |
180 |
130 |
80 |
120 |
140 |
11 |
|
60 |
0.37 |
170 |
92 |
190 |
110 |
60 |
105 |
120 |
20 |
205 |
150 |
90 |
130 |
150 |
11 | |
|
70 |
0.37 |
206 |
110
|
210 |
130 |
70
|
115 |
150 |
20 |
235 |
175 |
105 |
150 |
190 |
15 | |
|
0.75 |
230 | |||||||||||||||
|
80 |
0.75 |
232 |
128
|
240
|
140
|
80
|
135
|
180
|
20
|
265
|
200 |
120 |
170 |
220 |
5 | |
|
1.5 | ||||||||||||||||
|
100 |
1.5 |
266 |
145 |
263 |
163 |
100 |
155
|
220
|
25
|
363
|
250 |
150 |
190 |
260 |
15 | |
|
2.2 |
270 |
149 |
288 | |||||||||||||
|
120 |
2.2 |
340 |
182
|
310
|
185
|
120
|
180
|
260
|
30
|
424
|
300 |
180 |
230 |
320 |
18 | |
|
3.0 | ||||||||||||||||
|
135 |
3.0 |
375 |
200
|
335
|
210
|
135
|
200
|
290
|
30
|
481
|
350 |
215 |
250 |
350 |
18 | |
|
4.0 | ||||||||||||||||
|
155 |
5.5 |
442 |
236 |
402 |
252 |
155 |
220 |
320 |
32 |
536 |
390 |
235 |
280 |
390 |
20 | |
|
175 |
7.5 |
465 |
240 |
412 |
262 |
175 |
250 |
350 |
40 |
550 |
435 |
260 |
310 |
430 |
20 |
|
Size |
Flange |
Output Hole |
Output HShaft |
Weight | |||||||||
|
LA |
LB |
LC |
LE |
LG |
LZ |
Q |
U |
T×V |
LS |
S |
W×Y | ||
|
50 |
115 |
95 |
140 |
5 |
10 |
M8 |
25 |
11 |
4×12.8 |
40 |
17 |
5×3 |
7 |
|
60 |
130 |
110 |
160 |
5 |
12 |
M8 |
35 |
14 |
5×16.3 |
50 |
22 |
7×4 |
11 |
|
70 |
130 |
110 |
160 |
5 |
12 |
M8 |
35 |
14 |
5×16.3 |
60 |
28 |
7×4 |
14 |
|
165 |
130 |
200 |
15 |
M10 |
45 |
19 |
6×21.8 | ||||||
|
80 |
165 |
130 |
200 |
5 |
15 |
M10 |
45 |
19 |
6×21.8 |
65 |
32 |
10×4.5 |
23 |
|
55 |
24 |
8×27.3 | |||||||||||
|
100 |
165 |
130 |
200 |
5 |
12 |
M10 |
52 |
24 |
8×27.3 |
75 |
38 |
10×4.5 |
38 |
|
215 |
180 |
250 |
15 |
M12 |
62 |
28 |
8×31.3 | ||||||
|
120 |
215 |
180 |
250 |
5 |
18 |
M12 |
65 |
28 |
8×31.3 |
85 |
45 |
12×4.5 |
65 |
|
135 |
215 |
180 |
250 |
5 |
18 |
M12 |
65 |
28 |
8×31.3 |
95 |
55 |
15×5 |
84 |
|
155 |
265 |
230 |
300 |
5 |
20 |
M12 |
85 |
38 |
10×41.3 |
110 |
60 |
15×5 |
120 |

a>